【QSW全伟气动】
021-51699285
首页
关于我们
公司简介
关于品牌
荣誉资质
产品中心
QAC系列气源处理组合元件
QPC型气源处理组合元件
X型气源处理组合元件
XQ-VB系列倍压增压阀
薄型气缸
特种气缸
标准气缸
普通气缸
气液阻尼缸
气—油转换缸
气液增压缸
电控换向阀
气控换向阀
成组换向阀
机控换向阀
人控换向阀
小型换向阀
单向节流阀
磁性开关
快插式接头
管道排气阀
单向阀
梭阀
快速排气阀
节流阀
压力开关
接线插座
电磁线圈
消声器
气喷枪
气管
真空发生器
快插式单向节流阀
最新产品
产品型号
新闻中心
公司新闻
行业动态
联系我们
产品展示
CDW7-2000 1600/1600A 4P 抽屉式 AC220V,CDW7系列万能式断路器,DELIXI德力西
首页
/
产品中心
/
断路器系列
风机系列
控制器系列
电容器系列
互感器系列
电磁铁系列
接触器系列
断路器系列
燃气表系列
继电器系列
熔断器系列
变频器系列
电阻器系列
避雷器系列
硅整流系列
防爆电器系列
电线电缆系列
接线端子系列
电缆附件系列
仪器仪表系列
隔离开关系列
主令电器系列
配电照明箱系列
跌落式熔断器系列
智能压力变送器系列
温控仪、热电偶系列
母线槽、电缆桥架系列
电涌保护器SPD系列
起动器、软起动器系列
光电开关、接近开关系列
压力表系列、温度计系列
双电源自动切换开关系列
墙壁开关、民用换气扇系列
稳压器、变压器、调压器系列
中间转换器、不间断电源
声光报警
产品标题:CDW7-2000 1600/1600A 4P 抽屉式 AC220V,CDW7系列万能式断路器,DELIXI德力西
产品ID:
VIB20100808221240734
品 牌:
DELIXI德力西
所在地:中国 上海
价 格:面议 (大量采购价格面议)
库存状态:
货期待查
更新日期:2020-5-20 5:56:40
咨询电话:(+86)021-51699285
咨询Q Q:
2695337323
产品简述
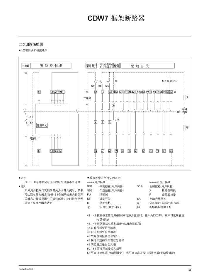
CDW7系列万能式断路器
(以下简称断路器)主要适用于交流50Hz,额定工作电压为
400V、690V
,额定电流为
200A~6300A
的配电网络中,用来分配电能和保护线路及电源设备免受过载、欠电压、短路和接地等故障的危害。断路器核心部件采用智能型脱扣器,具有精确的选择性保护,可避免不必要的停电,提高供电系统的可靠性、连续性和安全性。
产品详情
产品型号
双作用短行程气ADVC-63-10-A-P
双作用短行程气ADVC-63-15-A-P
双作用短行程气ADVC-63-20-A-P
双作用短行程气ADVC-63-25-A-P
单作用螺纹气缸 AEVC-80-10-I-P-A
单作用螺纹气缸 AEVC-80-25-I-P-A
单作用螺纹气缸 AEVC-80-10-I-P
单作用螺纹气缸 AEVC-80-25-I-P
单作用短行程气AEVC-80-10-A-P-A
单作用短行程气AEVC-80-25-A-P-A
单作用短行程气AEVC-80-10-A-P
单作用短行程气AEVC-80-25-A-P
双作用短行程气ADVC-80-10-I-P-A
双作用短行程气ADVC-80-15-I-P-A
前一页
CDW7-2000 1600/1600A 3P 固定式 AC380V 附,CDW7系列万能式断路器,DELIXI德力西
后一页
CDW7-2000 1600/1600A 3P 固定式 AC380V 附,CDW7系列万能式断路器,DELIXI德力西
产品中心
更多产品
MORE+
CDW7-2000 1600/1600A 3P 固定式 AC380V 附,CDW7系列万能式断路器,DELIXI德力西
CDW1-3200 2500A 3P 抽屉式DC220V欠压 380V,CDW1系列万能式断路器,DELIXI德力西
CDW1-2000 800A 3P抽屉式DC220V无欠压 6附,CDW1系列万能式断路器,DELIXI德力西
CDW1-3200 2500A 3P抽屉式AC220V 英文标牌,CDW1系列万能式断路器,DELIXI德力西
CDW1-2000 1250A 4P抽屉式AC380V 拼缆连锁,CDW1系列万能式断路器,DELIXI德力西
CDW1-2000 800A 3P固定式 L型 AC220V6开6闭,CDW1系列万能式断路器,DELIXI德力西
CDW7-3200 2500/2500A 3P 抽屉式 AC220V,DELIXI德力西
CDW1-2000 800/800 三极抽屉380V无欠压,CDW1系列万能式断路器,DELIXI德力西
双作用短行程气ADVC-25-10-A-P
双作用短行程气ADVC-25-15-A-P
双作用短行程气 ADVC-25-20-A-P
双作用短行程气ADVC-25-25-A-P
电话:
021-51699285
传真:
021-51698592
手机:
13611905823
地址:上海市宝山区恒高路127弄6号楼2202室
首 页
关于我们
公司简介
品牌介绍
企业荣誉
产品中心
QAC系列气源处理组合元件
QPC型气源处理组合元件
X型气源处理组合元件
XQ-VB系列倍压增压阀
薄型气缸
特种气缸
标准气缸
普通气缸
气液阻尼缸
气—油转换缸
气液增压缸
电控换向阀
气控换向阀
成组换向阀
机控换向阀
人控换向阀
小型换向阀
单向节流阀
磁性开关
快插式接头
管道排气阀
单向阀
梭阀
快速排气阀
节流阀
压力开关
接线插座
电磁线圈
消声器
气喷枪
气管
真空发生器
快插式单向节流阀
最新产品
新闻中心
公司新闻
行业动态
联系我们